2026/02/05
2025/12/08
2025/11/05
NOVOSENSE has announced the launch of its new-generation isolated amplifiers with integrated isolated power supply — the NSI36xx Series. This lineup is a comprehensive upgrade to the company’s popular NSI13xx series and includes the NSI360x isolated current amplifiers, NSI361x isolated voltage amplifiers, and the NSI36C00R/NSI36C1xR devices featuring internal comparators and single-ended proportional outputs.

The NSI36xx series is designed for a wide range of high-voltage applications such as industrial motor drives, photovoltaic inverters, server power supplies, EV traction inverters, and onboard chargers. By integrating an isolated DC-DC power supply, providing flexible output configurations, and built-in protection features, the series enables higher power density, simplifies peripheral circuit design, and enhances overall system reliability.
Integrated Isolated Power Supply: Simplify Design, Eliminate the Need for High-Side Power Circuits
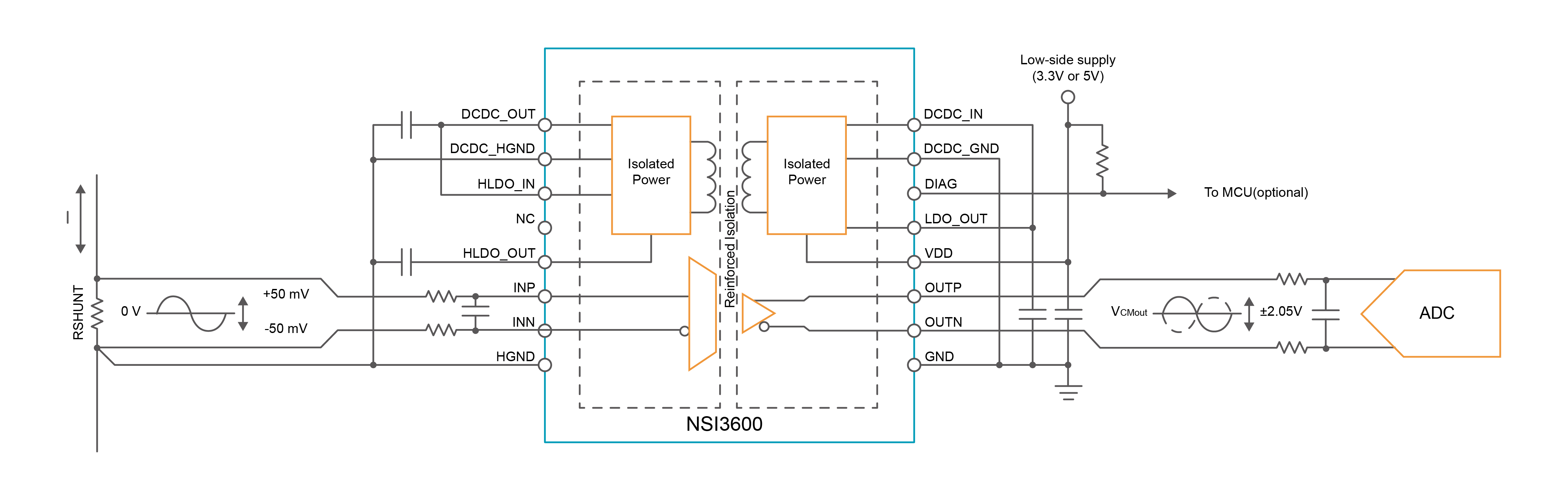
In floating-ground sensing scenarios, customers using the previous NSI13xx generation often needed to design an additional isolated power supply for the high-voltage side. The new NSI36xx series solves this by integrating a high-efficiency isolated DC-DC converter across all models, offering significant practical benefits:
• Simplified Power Architecture: Traditional isolated sensing circuits require separate power supplies for high- and low-voltage sides. With NSI36xx, only a single low-side supply is needed, eliminating complex high-voltage power circuits, reducing design complexity, and shortening development cycles.
• Lower System Cost: By integrating the isolated power supply, external isolated power modules are no longer required, reducing total BOM cost by approximately 10%–20% and saving 30%–50% of PCB area. This enables more compact system designs, particularly valuable in space-constrained applications.


Power circuit comparison between NSI36xx with integrated supply and NSI13xx without it
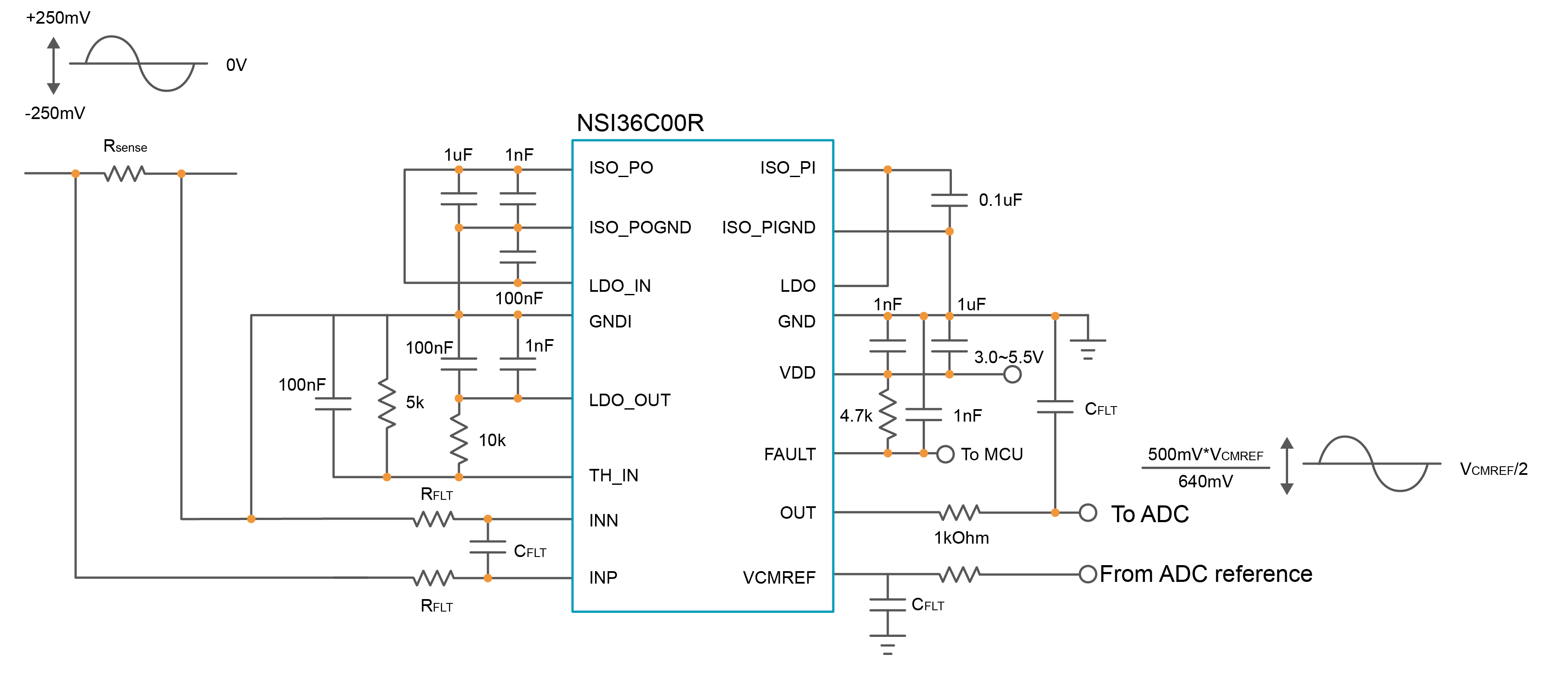
Single-Ended Proportional Output: Flexible System Integration and Optimized Signal Chain
Both current and voltage sensing models in the NSI36xx series offer single-ended proportional output versions — NSI36C1xR and NSI36C00R (the “R” suffix denotes single-ended proportional output). These versions deliver enhanced flexibility for diverse system architectures:
• Improved System Compatibility: With multiple output options, engineers can choose the optimal configuration for each application — differential outputs for long-distance transmission or single-ended proportional outputs for simplified design.
• Streamlined Signal Chain: The proportional output can be directly interfaced with the system ADC, minimizing the need for additional signal-conditioning circuits. This not only simplifies system design but also improves sampling accuracy by utilizing the ADC’s full input range.

NSI36C00R single-ended proportional output directly connected to ADC
Integrated Comparator Protection: Enhanced Safety and Simplified Diagnostics
The NSI36C1xR and NSI36C00R devices feature integrated comparators to provide additional protection for end applications:
• Real-Time Fault Detection: The internal comparator enables ultra-fast overcurrent or overvoltage protection, detecting anomalies within hundreds of nanoseconds and triggering safety mechanisms to improve system reliability. Adjustable external thresholds allow flexible configurations for cycle-by-cycle overcurrent or fast overvoltage protection.
• Simplified System Diagnostics: Built-in self-diagnostic functions and comparator outputs enable real-time health monitoring without the need for external diagnostic circuitry, significantly reducing system complexity and design workload.

Integrated overcurrent comparator, propagation delay 300 ns (typ.) / 800 ns (max)
Packaging & Availability
The NSI36xx series is available in SOW16 package options, supporting both industrial-grade and automotive-grade versions. Initial industrial models — NSI3600D, NSI3611D, and NSI3612D — are now in mass production. These devices support up to 5000 Vrms isolation voltage and operate from –40 °C to +125 °C. Single-ended output and comparator-integrated automotive versions will follow in subsequent releases.
Building a Comprehensive “Isolation+” Ecosystem
With deep expertise in isolation technology, NOVOSENSE continues to strengthen its “Isolation+” ecosystem — a complete portfolio of isolation solutions for safer and more efficient high-voltage systems:
• “+” Stands for Enhanced Safety: Deliver safety levels exceeding basic isolation standards, and build a more reliable system isolation safety boundary for customers' systems.
• “+” Stands for Full Product Ecosystem: With mature capacitive isolation technology IP as the cornerstone, expand into a complete product portfolio to provide one-stop isolation solutions.
• “+” Stands for in-depth Application Empowerment: Meet the emerging needs of scenarios including electric vehicle high-voltage platforms, high-power photovoltaic-storage-charging systems, and high-integration, high-efficiency AI server power supplies, enabling system-level safety, reliability and efficiency.