The NIRSP31E device is a triple-channel digital isolator with integrated isolated DC-DC converter. The isolated DC-DC converter provides stable output voltage and up to 400mW output power by closed-loop control and transformer on chip. The feedback PWM signal is sent to the primary side by a digital isolator based on Novosense capacity isolation technology. The high integrated solution can help simplify system design, save PCB area and improve reliability. The NIRSP31E device supports 3kVrms insulation for 1min withstand voltage. The data rate of the NIRSP31E device is up to 20Mbps. The NIRSP31E device provides 5V to 5V, 5V to 3.3V, 3.3V to 3.3V conversion mode. The output voltage can be set by SEL pin.
Product Features
• Power supply voltage:
VDD: 3V to 3.6V, 4.5V to 5.25V
VDDL: 1.8V to 3.6V, 4.5V to 5.25V
• Max Output Support Current:
85mA for 5V to 5V
90mA for 5V to 3.3V
45mA for 3.3V to 3.3V
• Excellent electromagnetic compatibility (EMI): Low radiation
• Over current and over temperature protection
• Date rate: DC to 20Mbps
• Propagation delay: <75ns
• Operation temperature: -40℃~125℃
• RoHS-compliant packages: LGA-18
Application
• Industrial BMS system
• Industrial automation systems
• Isolated RS232, RS485, CAN
• General purpose multichannel isolation
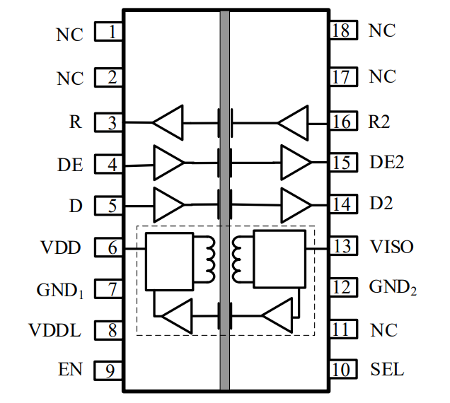
Functional Block Diagram


For more product information, please contact us.