The NSIP954x devices are quad-channel digital isolators with integrated isolated DC-DC converter. The isolated DC-DC converter provides up to 500mW output power using on-chip transformer. The feedback PWM signal is sent to primary side by a digital isolator based on Novosense capacity isolation technology. The high integrated solution can help to simplify system design and improve reliability. The NSIP954x devices are safety certified by UL1577, supporting 5.0kVrms withstand voltage, while providing high electromagnetic immunity and low emissions. The data rate of the NSIP954x is up to 150Mbps, and the common-mode transient immunity (CMTI) is up to 100kV/μs. The NSIP954x devices provide 5V to 5V, 5V to 3.3V, 3.3V to 3.3V conversion mode, the output voltage can be set by SEL pin.
Product Features
• AEC-Q100 Qualified for Grade 1: TA from -40 °C to 125 °C
• Up to 5000Vrms Insulation voltage
• Power supply voltage: 3V to 5.25V
• 5V to 5V, 5V to 3.3V, support 100mA load current
• 3.3V to 3.3V, support 60mA load current
• Over current and over temperature protection
• Date rate: DC to 150Mbps
• High CMTI: 100kV/μs
• High system level EMC performance: Enhanced system level ESD, EFT, Surge immunity
• Operation temperature: -40℃~125℃
• RoHS-compliant packages: SOW16
Safety Certificate
• UL recognition: up to 5000Vrms for 1 minute per UL1577
• CQC certification per GB4943.1
• CSA component notice 5A
• DIN VDE V 0884-17
Application
• Battery Management System
• Isolated SPI, RS232, RS485
• General-Purpose Multichannel Isolation
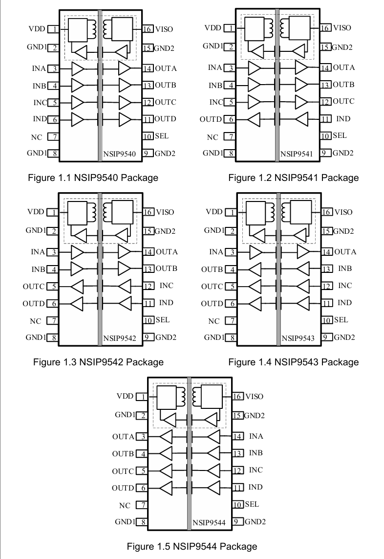
Functional Block Diagram


For more product information, please contact us.