The NSDRV401 is an integrated circuit chip designed to control and process signals from magnetic current sensors. It is primarily used for accurately monitoring and measuring alternating current (AC) and direct current (DC). The NSDRV401 can adapt to different current sensors, with the probe frequency range between 250kHz and 550kHz.
The NSDRV401 provides an excitation signal for the magnetic field probe, enabling it to detect changes in the magnetic field. It processes the signal from the probe and provides an analog output voltage signal proportional to the primary winding current. It features high-resolution, low-temperature drift measurement performance, making it suitable for applications that require high precision. It supports a wide bandwidth range for various frequency current monitoring. Additionally, it includes overload and fault detection functions, as well as transient noise suppression, to enhance the reliability of measurements and detections.
Product Features
• Single Supply: 5V
• Excellent DC Precision
• High-Resolution, Low-Temperature Drift
• Built-In Degauss System
• Extensive Fault Detection
• Wide System Bandwidth
Application
• Sensor module
• Photovoltaic Systems
• Frequency and Voltage Inverters
• Motor Drive Controllers
• System Power Consumption
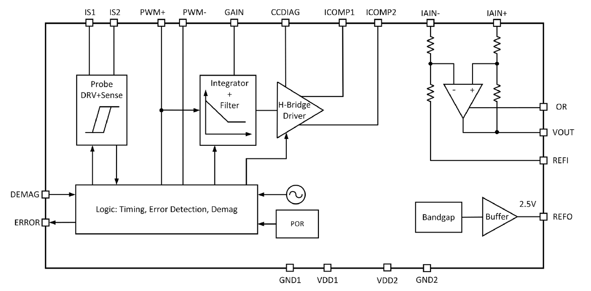
Functional Block Diagram


For more product information, please contact us.