我们非常重视您的个人隐私,当您访问我们的网站时,请同意使用的所有cookie。有关个人数据处理的更多信息可访问《隐私政策》
产品特性
• 符合 AEC-Q100 Grade 1 车规认证
• 宽输入电压范围:4V ~ 44V
• 内置推挽驱动,峰值驱动电流 1A
• 参考电压:
- 1.26V (NSR22401)
- 1.275V (NSR22402)
• 峰值电流模式控制,内置斜坡补偿
• 内置软启动,支持可调欠压锁定 (NSR22402)
• 集成保护功能:逐周期限流、短路保护、过压保护、过温保护
• 符合 RoHS 封装要求
应用场景
• 汽车 OBC (On-board Charger)
• 汽车 DC-DC 转换器
• 汽车牵引逆变器
• 汽车热管理(PTC, 空压机)
• 汽车启停应用
• 汽车 ADAS 驱动信息系统
• 音频功放升压电源
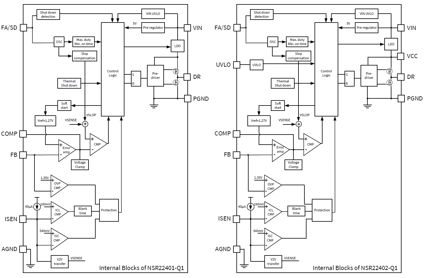
功能框图


如您需要咨询产品更多信息,请点击“联系我们”,我们将尽快回复您!