我们非常重视您的个人隐私,当您访问我们的网站时,请同意使用的所有cookie。有关个人数据处理的更多信息可访问《隐私政策》

产品中心
多通道可配置高低边驱动

产品中心

8通道可配高低边驱动系列

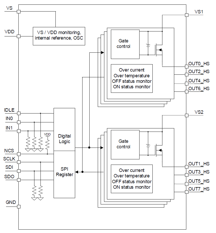
8通道智能可配高低边驱动系列驱动芯片,工作电压4.5V~28V(内部39V钳位电压),每通道驱动电流330mA(所有通道ON并且环境温度85℃),支持SPI菊花链,支持Limp home跛行模式,集成全面的保护和智能诊断功能,特别适合驱动汽车电子的继电器、LED、车灯及电机等各类型负载。

产品特性

• 满足AEC-Q100 grade 1:  TA from –40°C to +125°C

• 工作电压:4.5V~28V (39V钳位电压) ,Cranking电压低至4.5 V

• 驱动电流/每通道:330mA @所有通道ON

• 16bit SPI 接口:控制及诊断,可菊花链级联

• 单通道内阻:Rds(on)=1Ω @TJ = 25°C,通道可并联使用

• 2个并行输入口IN0/1,可映射控制任意输出通道OUT0~7

• 支持Limp home跛行模式

• 内置2个PWM自动发生器:频率占空比等可配置

• 支持BIM(Bulb Inrush Mode),可驱动2W灯泡等容性负载,在双通道并联模式下,可以驱动5W 灯泡等容性负载

• 超低功耗模式,1uA typ.@Sleep mode

• 全面保护和诊断功能:SCB短路到电源保护、SCG短路到地保护、OCP过流保护、过温保护。过载检测、负载开路检测(OFF&ON state)、输出状态监控、输入状态监控,故障及诊断输出(SPI)

安全认证

AEC-Q100

应用场景

• 汽车继电器

• 汽车LED

• 汽车灯泡

• 汽车有刷/步进电机

功能框图

NSD56080.png

如您需要咨询产品更多信息,请点击“联系我们”,我们将尽快回复您!