我们非常重视您的个人隐私,当您访问我们的网站时,请同意使用的所有cookie。有关个人数据处理的更多信息可访问《隐私政策》
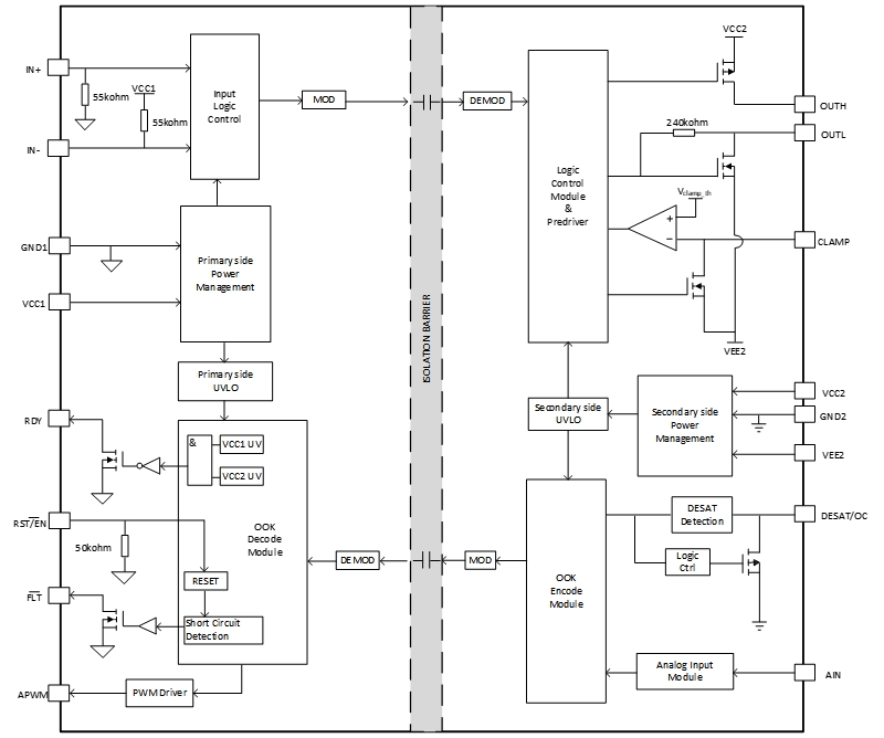
NSI6713/NSI6711是智能隔离式单通道栅极驱动器,旨在驱动许多应用中的IGBT,功率MOSFET和SiC MOSFET等功率晶体管,并为其提供保护,使其安全运行。它可提供分离输出,分别控制上升和下降时间,且支持轨到轨输出,并可以提供最大10A/10A的拉灌电流能力。 NSI6713/NSI6711可以提供的保护功能,如UVLO、Miller钳位、DESAT保护、软关断功能,且短路故障或欠压发生时,通过单独的引脚报告。NSI6713支持原副边ASC功能,NSI6711支持副边ASC功能,可用于在紧急情况下强制输出为高。它支持最小150kV/μs的共模瞬变抗扰度(CMTI),提高系统鲁棒性。驱动器侧最大耐压为38V,而输入侧则接受3V至5.5V的电源电压。 NSI6713/NSI6711 驱动电流大,电源电压范围宽,CMTI高,且具有出色的保护功能,适用于高可靠性、高功率密度和高效率的开关电源系统、逆变器等系统。
产品特性
• 集成DESAT保护功能的智能隔离式单通道驱动器
• 输入侧电源电压: 3V至5.5V
• 驱动器侧电源电压:最大耐压38V,具有UVLO功能
• 峰值10A/10A拉灌电流能力
• 高CMTI:150kV/μs
• 80ns典型传播延迟
• 30ns最大脉冲宽度失真
• 接受最小输入脉冲宽度40ns
• 轨对轨输出,可选分离输出方式
• 保护模式:
-NSI6713支持原副边ASC,NSI6711支持副边 ASC
-米勒钳位:5.7A
-DESAT保护,阈值9V
-支持软关断功能,软关断电流135mA、420mA可选
-支持故障报警以及复位或使能
• 工作温度: -40℃~125℃
安全认证
• UL1577认证:1分钟5.7kVrms
• CQC认证:符合GB4943.1
• CSA认证:组件符合5A
• VDE认证:DINVDEV0884-17
应用场景
• EV 电驱系统
• 空调压缩机
• DC-AC太阳能逆变器
• 电机驱动
• UPS和电池充电器
功能框图


如您需要咨询产品更多信息,请点击“联系我们”,我们将尽快回复您!